Product Series
                        推薦產品
河南華東起重機械設備公司
服務熱線:400 086 9590
                        公司:河南華東起重機械設備有限公司
                        聯系人:賈經理
                        聯系電話:13903802779
                        地址:河南新鄉市封丘縣起重機工業園區
                        
                    
當前位置: 起重機 > 起重機文章
2噸3噸單梁起重機(行車)主要技術參數
時間:2024-05-24來源:起重機廠家瀏覽次數:1
2噸3噸行車是單梁起重機中常用的小噸位行車,跨度一般不超過30米,起吊高度可以根據客戶要求定制6-30米,小編為大家介紹下2噸、3噸單梁行車起重機主要技術參數。

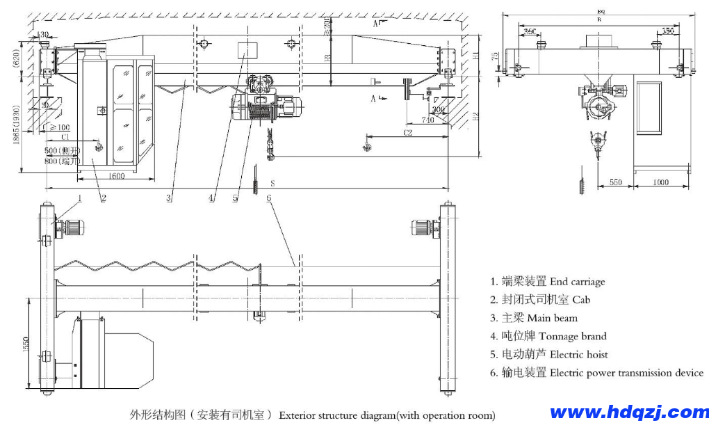
單梁起重機結構簡圖:

2噸3噸行車技術參數
起重量  | t  | 2  | 3  | |||||||||||||||
操縱形式  | 地面操縱  | 操作室操縱  | 地面操縱  | 操作室操縱  | ||||||||||||||
運行機構  | 運動速度  | m/min  | 20  | 30  | 45  | 45  | 60  | 75  | 20  | 30  | 45  | 45  | 60  | 75 | ||||
減速比  | 58.78  | 39.38  | 26.36  | 26.36  | 19.37  | 15.61  | 58.78  | 39.38  | 26.36  | 26.36  | 19.37  | 15.61 | ||||||
電機型號  | ZDY21-4  | ZDR12-4  | ZDY21-4  | ZDR12-4  | ||||||||||||||
功率 
  | kW | 2*0.8  | 2*1.5  | 2*0.8  | 2*1.5  | |||||||||||||
轉速 
  | r/min | 1380  | 1380  | |||||||||||||||
起升機構 
 
  | 電動葫蘆型號  | CDI型  | MDI型  | CDI型 
  | MDI型 | |||||||||||||
起升速度  | m/min  | 8  | 8/0.8  | 8  | 8/0.8 | |||||||||||||
運行長度  | m  | 6、9、12、18、24、30  | 6、9、12、18、24、30  | |||||||||||||||
運行速度  | m/min  | 20,30  | 20,30  | |||||||||||||||
| 電機型號 | 錐形鼠籠形  | 錐形鼠籠形  | ||||||||||||||||
工作制度  | A3-A5  | A3-A5  | ||||||||||||||||
電源  | 三相50HZ 380V  | 三相50HZ 380V  | ||||||||||||||||
車輪直徑  | mm  | 220  | 220  | |||||||||||||||
常用軌道  | kg/m  | 18,24  | 18,24  | |||||||||||||||
起重量  | t  | 2  | 3  | |||||||||||||||
跨度S  | m  | 7.5-11  | 11.5-12 | 12.5-14  | 14.5-17  | 19.5  | 22.5  | 7.5-11  | 11.5-12  | 12.5-14  | 14.5-17  | 19.5  | 22.5  | |||||
總重  | 地操  | t  | 1.78-2.10  | 2.21-2.26 | 2.35-2.50  | 2.63-2.91  | 3.85  | 4.67  | 1.88-2.24  | 2.32-2.38  | 2.47-2.64  | 3.17-3.53  | 4.28  | 4.83  | ||||
室操  | t  | 2.18-2.50  | 2.61-2.66 | 2.75-2.90  | 3.03-3.31  | 4.25  | 5.07  | 2.28-2.64  | 2.72-2.78  | 2.87-3.04  | 3.37-3.93  | 4.68  | 5.23  | |||||
輪壓  | 地操  |   t  | 1.64-1.72  | 1.75-1.76 | 1.79-1.83  | 1.87-1.93  | 2.18  | 2.38  | 2.15-2.24  | 2.26-2.28  | 2.31-2.35  | 2.48-2.57  | 2.80  | 2.94  | ||||
室操  | 1.94-2.02  | 2.05-2.06 | 2.09-2.13  | 2.17-2.23  | 2.48  | 2.68  | 2.45-2.54  | 2.56-2.58  | 2.61-2.65  | 2.78-2.87  | 3.10  | 3.34  | ||||||
基本尺寸  | h1  |    mm  | 550  | 595 | 700  | 800  | 900  | 650  | 700  | 800  | 900  | 1000  | ||||||
B  | 2500 | 3000 | 3000  | 2500  | 3000  | 3500 | ||||||||||||
K  | 2000 | 2500 | 3000  | 2000  | 2500 | 3000 | ||||||||||||
L1  | 871.5  | 818.5  | ||||||||||||||||
L2  | 1292.5  | 1291  | ||||||||||||||||
H  | 1100 | 1105 | 1110  | 1115  | 1120  | 1150 | 1170  | 1185  | 1210 | |||||||||
H1  | 490  | 580 | 660  | 785  | 530  | 580  | 660  | 745  | 820  | |||||||||
備注:參數如有修改,恕不另行通知




    














                
