Product Series
推薦產品
河南華東起重機械設備公司
服務熱線:400 086 9590
公司:河南華東起重機械設備有限公司
聯系人:賈經理
聯系電話:13903802779
地址:河南新鄉市封丘縣起重機工業園區
當前位置: 起重機 > 起重機文章
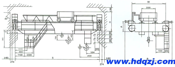
QD型16/3.2噸電動雙梁慢速吊鉤橋式起重機技術參數表
時間:2024-04-15來源:起重機廠家瀏覽次數:1
QD型16/3.2噸電動雙梁慢速吊鉤橋式起重機方案圖

QD型16/3.2噸電動雙梁慢速吊鉤橋式起重機技術規格參數:
工作級別 | A3 | ||||||||||
跨度 | m | 10.5 | 13.5 | 16.5 | 19.5 | 22.5 | 25.5 | 28.5 | 31.5 | ||
起重機重量 | t | 18.6 | 20.6 | 23.9 | 25.3 | 27.3 | 30.7 | 34 | 36.5 | ||
輪壓 | kN | 145 | 150 | 162 | 170 | 181 | 190 | 196 | 205 | ||
起升高度 | m | 16/18 | |||||||||
速度 | 起重機運行 | m/min | 41.86 | 42.23 | |||||||
小車運行 | 26.27 | ||||||||||
主起升 | 2.25 | ||||||||||
副起升 | 11.84 | ||||||||||
電動機 | 起重機運行 | 2-YZR132M1-6/2.5kw | 2-YZR132M2-6/2x4kw | ||||||||
小車運行 | YZR132M1-6/2.5kw | ||||||||||
起升 | YZR160M2-6/8.5kw | ||||||||||
副起升 | YZR160M2-6/8.5kw | ||||||||||
主要尺寸 | B | mm | 5860 | 6260 | |||||||
W | 4200 | 4600 | |||||||||
H | 2058 | 2061 | 2064 | 2067 | 2070 | 2073 | 2076 | 2079 | |||
A | 845 | ||||||||||
H3 | 632 | ||||||||||
F | 28 | 148 | 278 | 428 | 578 | 728 | 828 | 918 | |||
薦用軌道 | 38kg/m 43kg/m 50kg/m QU80 | ||||||||||




















