Product Series
推薦產品
河南華東起重機械設備公司
服務熱線:400 086 9590
公司:河南華東起重機械設備有限公司
聯系人:賈經理
聯系電話:13903802779
地址:河南新鄉市封丘縣起重機工業園區
當前位置: 起重機 > 起重機文章
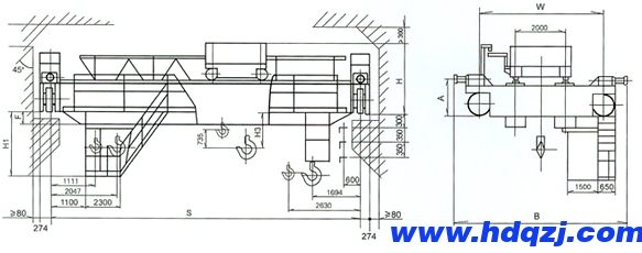
QD型16/3.2噸電動雙梁橋式起重機技術參數表
時間:2024-04-15來源:起重機廠家瀏覽次數:1
QD型16/3.2噸電動雙梁橋式起重機方案圖

QD型16/3.2噸電動雙梁橋式起重機技術參數規格:
| 工作級別 | A5 | A6 | |||||||||||||||||
| 跨度 | m | 10.5 | 13.5 | 16.5 | 19.5 | 22.5 | 25.5 | 28.5 | 31.5 | 10.5 | 13.5 | 16.5 | 19.5 | 22.5 | 25.5 | 28.5 | 31.5 | ||
| 超重機總量 | t | 18.6 | 20.6 | 23.9 | 26.3 | 28.8 | 32.5 | 36.3 | 39 | 19.9 | 21.8 | 23.6 | 26.5 | 30.1 | 34 | 37.5 | 41 | ||
| 輪壓 | KN | 145 | 150 | 162 | 170 | 181 | 190 | 196 | 205 | 147 | 152 | 164 | 172 | 183 | 192 | 198 | 207 | ||
| 起升高度 | m | 16/18 | 16/18 | ||||||||||||||||
| 速度 | 起重機運行 | m/min | 74.4 | 86.5 | |||||||||||||||
| 小車運行 | 44.2 | 44.2 | |||||||||||||||||
| 主起升 | 9.55 | 13.0 | |||||||||||||||||
| 副起升 | 14.6 | 14.6 | |||||||||||||||||
| 電動機 | 起升 | 主 | 型號 | YZR225M-8/26 | YZR250M1-6/37 | ||||||||||||||
副 | YZR160L-6/13 | YZR160L-6/13 | |||||||||||||||||
| 小車運行 | YZR132M2-6/4 | YZR132M2-6/4 | |||||||||||||||||
| 大車運行 | YZR160M1-6/2x6.3 | YZR160M2-6/2x7.5 | |||||||||||||||||
| 主要尺寸 | B | mm | 5860 | 6260 | 5860 | 6260 | |||||||||||||
W | 4200 | 4600 | 4200 | 4600 | |||||||||||||||
H | 2058 | 2061 | 2064 | 2067 | 2070 | 2073 | 2076 | 2079 | 2058 | 2061 | 2064 | 2067 | 2070 | 2073 | 2076 | 2079 | |||
A | 845 | 845 | |||||||||||||||||
H3 | 632 | 617 | |||||||||||||||||
F | 28 | 148 | 278 | 428 | 578 | 728 | 828 | 978 | 28 | 148 | 278 | 428 | 578 | 728 | 828 | 978 | |||
| 薦用軌道 | 43kg/m QU70 QU100 QU120 | ||||||||||||||||||




















