Product Series
                        推薦產品
河南華東起重機械設備公司
服務熱線:400 086 9590
                        公司:河南華東起重機械設備有限公司
                        聯系人:賈經理
                        聯系電話:13903802779
                        地址:河南新鄉市封丘縣起重機工業園區
                        
                    
當前位置: 起重機 > 起重機文章
QD型125/32噸電動雙梁橋式起重機技術參數表
時間:2024-04-15來源:起重機廠家瀏覽次數:1
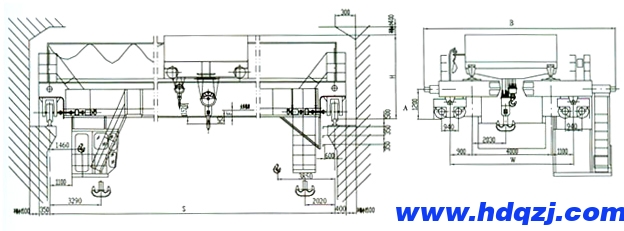
QD型125/32噸電動雙梁橋方案圖

QD型125/32噸電動雙梁橋式起重機技術規格參數:
工作級別  | A5  | |||||||||
跨度  | m  | 13  | 16  | 19  | 22  | 25  | 28  | 31  | ||
起重機重量  | t  | 84  | 94  | 100  | 107  | 115  | 123  | 141  | ||
輪壓  | kN  | 415  | 445  | 455  | 475  | 490  | 510  | 535  | ||
起升高度  | m  | 18/20  | ||||||||
速度  | 起重機運行  | m/min  | 45  | |||||||
小車運行  | 32.9  | |||||||||
主起升  | 4.5  | |||||||||
副起升  | 9.3  | |||||||||
電動機  | 起重機運行  | 2-YZR25CMi-8/35kw  | ||||||||
小車運行  | YZR200L-6/26kw  | |||||||||
起升  | YZR355L1-10/132kw  | |||||||||
副起升  | YZR280S-8/51kw  | |||||||||
主要尺寸  | A  | mm  | 1350  | |||||||
B  | 9450  | |||||||||
H  | 4244  | 4246  | 4248  | 4250  | 4252  | 4254  | 4256  | |||
H3  | 1803  | 1803  | 1803  | 1803  | 1803  | 1803  | 1803  | |||
F  | 70  | 500  | 520  | 540  | 560  | 580  | 605  | |||
W  | 6400  | 7620  | ||||||||
薦用軌道  | QU80 QU100  | |||||||||




    














                
